Model: BCP

Description:
The BCP Clevis pin type load cell has several features that clearly distinguish this from other type load cells. Is is basically a pin which can measure the force applied onto it. Clevis pin type load cells score over conventional load cells where there is no scope of space of mounting a conventional load cell. The Clevis pin type load cell is basically a bolt which is mounted at the hook of a lifting machine. When the lifting machine lifts anything, the rope, with which the load is attached, directly transfers the weight of the load and the clevis pin measure the stress transferred onto it and gives output as electrical signal.
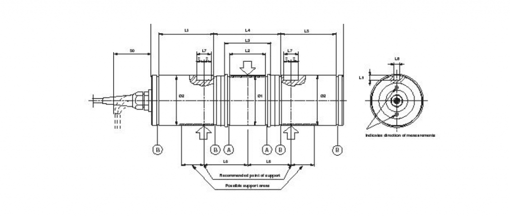
A load measuring pin senses the force applied across it, via strain gauges installed within a small bore through the centre of the pin. Two grooves are machined into the outer circumference of the pin to define the shear planes, which are located between the forces being measured.
It is very easy to install and is very accurate, even when subjected to extreme pivotal forces and severe environmental conditions.
Applications:
- Crane Scales
- Conveyors
- High Capacity Storage Bins
- EOT/ HOT Crane Scales
Features:
- Capacity Range: 100,500,1000,3000 and 5000 kgs
- Cylindrical shape for easy installation
- High Accuracy
- High Overload Capacity
- Stainless Steel Construction
Specifications:

Physical Dimensions:
